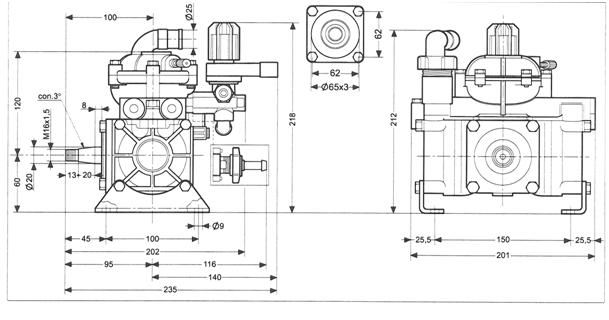
Modell - MINI

Boxerpumpe mit 2-Kolben-Membranen halb-hydraulisch gestützt.
Aussenliegende Saug-Druckkanäle, eingebautes Druckventil (auf Wunsch  mit Fernbedienung). Flüssigkeitsführende Teile rostbeständig, mit Kunststoff überzogen.

Material

  • Gehäuse: Aluminium
  • Zylinderkopf, Saug-Druckkanäle: kunststoffüberzogenes Aluminium
  • Ventil: rostfreier Stahl
  • Kurbelwelle: gehärteter Stahl
  • Windkesselmembrane: Gummi
  • Membrane: Gummi, Optional Desmopan
  • Ventilkäfig: Kunstharz
Mini-Bild

Technische Daten

max. Druck:

 25Bar

max. Fördermenge:

 23l/min

Gewicht:

4,7kg

Mini-kennlinie

Schnittzeichnung

Mini-schnittzeichnung

Zusätzliche Optionen

mini-Variation

 

 

 

 

Verkauf nur an Gewerbetreibende!  

 

https://seitz-pumpen.de

Waldenserstr. 23  -  D-71277 Rutesheim-Perouse
Tel.: +49-(0)7152 / 90 11 340  -  Fax: +49-(0)7152 / 90 11 350  - e-mail: seitz.kg@t-online.de


 

 

 

Tel. Beratung: Mo - Do:

9:00 - 12:00  / 14:00 - 16:30

Freitags bis 13:00

 

 Preise + 25% TZ ab 1.10.22

 

Druckkessel

 

 

X

spanien
england

We speak english!

Hablamos español!

  Preise gültig ab 01.03.2022 ab Werk + gesetzl. USt.